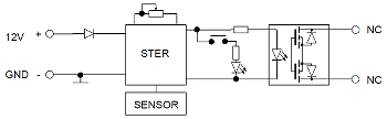
| Suporte : |
Painel de controle de alarme |
| Detecção : |
Vibrações |
| Ajuste de sensibilidade : |
 |
| Sinalização de alarme : |
Indicador LED, Sinal para o painel de controle |
| Fonte de alimentação : |
9 V ... 24 V DC , (típico 12 V) / 3,5 mA (máximo) |
| Principais características : |
- Detecção de vibração, independentemente da direção deles
- Saída de alarme NC: 80 mA (máx.)
|
| Habitação : |
Plástico |
| Cor : |
Azul |
| Temperatura de operação : |
-10°C ... 50°C |
| Peso : |
0,021kg |
| Dimensões : |
40 x 40 x 20 milímetros |
| Fabricante / Marca : |
DELTA |
| Garantia : |
3 anos |